汽車發動機需要進行多種試驗,其中常見的冷熱沖擊試驗為常見的測試,國家標準規定了汽車用發動機性能臺架試驗方法,下面小編對此試驗做簡單介紹。
試驗所需設備:冷熱沖擊試驗箱
試驗標準:GB/T1829 7-2001汽車發動機性能試驗方法
試驗包括各種負荷下的動力性及經濟性試驗方法,無負荷下的啟動,機械損失功率試驗方法以及有關氣缸.密封性德活塞漏氣量及消耗量的超方法等,用來評定汽車發動機的性能。

性能參數:
試驗槽溫度范圍:-40℃~+150℃
低溫槽溫度范圍:-55℃~-10℃
高溫槽溫度設定范圍:+60℃~~+200℃
高溫槽升溫速度:平均約5℃/min
低溫槽降溫速變:平均約1.5℃/min
溫度波動度:±0.5℃
溫度偏差:±2.0℃
溫度恢復時間:5min
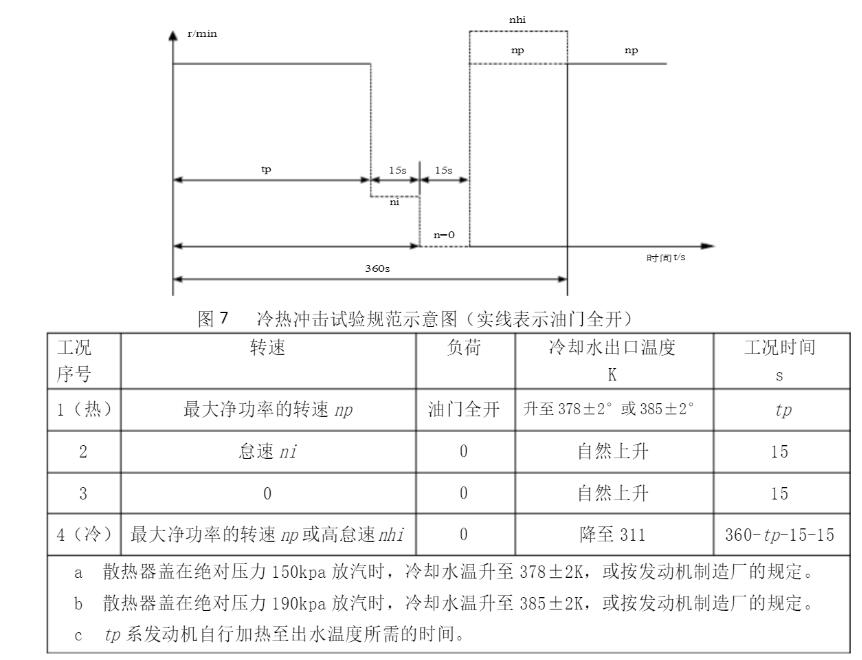
冷熱沖擊試驗規范見圖7及表1,表中工況1到2,到3的轉換在5s之內完成;工況3到4,4到1的轉換在15s以內完成,均勻地改變轉速和負荷。每循環歷時6min。不同最大總質量汽車用發動機運行時間(h)見表1。


快速溫度變化濕熱試驗箱
二箱式冷熱沖擊試驗箱
高低溫快速溫變試驗箱
快速溫變老化試驗箱